Ссылка скопирована
_80x106.jpeg)

_80x106.jpeg)

_80x106.jpeg)
_80x106.jpeg)
_80x106.jpeg)
_80x106.jpeg)
_80x106.jpeg)


от 5 852
/ шт.С50.25-2
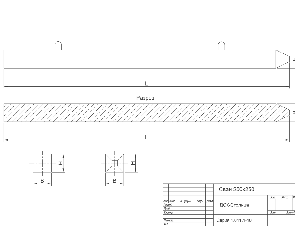
С50.25-2
Характеристики:
Нас выбирают!
Доставим в г. Москва
Привезем на ваш объект, быстро и надежно!
С50.25-2
Доставим в г. Москва
Привезем на ваш объект, быстро и надежно!
Этапы заказа
От заказа до установки — всего 5 простых шагов до вашего объекта
Оформите заявку
Заполните корзину или позвоните по номеру +7 (495)–150–77–97
Получите расчёт
Среднее время обработки - 1 час Предоставим от 1 до 3 выгодных предложений!
Заключите договор
Определите способ расчёта и назначьте дату поставки
Платите удобно
Наличными или переводом на расчётный счет
Доставим до объекта
Оперативная доставка прямо к вашему объекту 24/7
Доставка
Железобетонные сваи С50.25-2 рекомендуется хранить на территории специально оборудованных складских помещений. В случае отсутствия таковых помещений, изделия необходимо расположить под крышей, навесом или под укрывающей пленкой. Поверхность, на которой будут размещаться сваи, должна быть уплотненной, тщательно выровненной, с небольшим наклоном для отвода воды.
Плохо выровненная поверхность приводит к неравномерному распределению нагрузки, в результате чего на нижних сваях могут появиться трещины и изломы. Должно быть исключено попадание прямых атмосферных осадков и контактирование изделий с землей. Складирование железобетонных свай осуществляется штабелями, высотой не более двух метров, в горизонтальном положении, с одинаковой ориентацией торцов. Между изделиями прокладывают деревянные прокладки толщиной не менее 30 мм, располагая их под монтажными петлями, для предотвращения образования изломов и трещин.
Доставка железобетонных свай С50.25-2 производится специальным автотранспортом. Для обеспечения целостности изделий, их необходимо складировать в соответствии с нормативными требованиями. Погрузка и разгрузка железобетонных свай должна выполняться только с помощью крана и под руководством опытных такелажников. Важно, чтобы при транспортировке и погрузочно-разгрузочных работах изделия не подвергались излишним механическим нагрузкам.
Компания "ДСК-Столица" осуществляет доставку С50.25-2 посредством транспортных компаний, соблюдая установленные требования транспортировки. Доставка на объект производится согласно спецификации с указанием числа изделий каждой марки. По заказу клиента возможна доставка как в дневное, так и в ночное время.
Наша зона транспортировки охватывает большинство центральных регионов Российской Федерации:
- Москва и Московская область
- Рязань и Рязанская область
- Тверь и Тверская область
- Тула и Тульская область
- Владимир и Владимирская область
- Калуга и Калужская область
- Смоленск и Смоленская область
- Иваново - Ивановская область
- Другие города и области в РФ
Как правило, клиентов интересуют четыре основных вопроса:
- Цена продукции
- Сроки изготовления
- Скорость доставки продукции
- Юридическая защищенность (подписание договора)
Эксперты компании "ДСК-Столица" всегда на связи и готовы проконсультировать Вас по любым интересующим вопросам!
Звоните, оставляйте заявки, узнавайте цены и сроки, о быстрой доставке мы позаботимся сами! :)
Ваше строительство –
Наш железобетон!
Закажите ЖБИ в компании ДСК-Столица!
- Поставка до объекта
- Любой железобетон под ваш проект

Часто задаваемые вопросы
Как долго ваша компания работает на рынке?
Компания ДСК «Столица» на рынке 14 лет.
Какие типы железобетонных изделий вы предлагаете?
Мы предлагаем более 100 000 различных товаров, плиты перекрытия, заборы, блоки ФБС и многое другое.
Есть ли у вас сертификаты качества на продукцию?
Вся продукция сопровождается всей необходимой документацией.
Как я могу сделать заказ на сайте?
Оформить заказ можно через , на почту zakaz@dsk-stolica.ru или по телефону +7 (495) 150–77–97
Как я могу оплатить ваш товар?
Вы можете оплатить товар в офисе, по QR коду, оплатой в банке или с расчетного счета.
Заполните форму – Получите выгодное предложение
Мобильное приложение ЖБИ
Более 100.000 изделий ЖБИ