иконка россия RUB
zakaz@dsk-stolica.ru +7 (495) 150-77-97
ИНН: 7721823772 БИК: 044525411

zakaz@dsk-stolica.ru

Логотип
Бургер меню

Каталог ЖБИ

Звонок

бесплатно по РФ

8 (800) 301-55-70

Офис в Москве

+7 (495) 150-77-97

Для заказа

zakaz@dsk-stolica.ru

Продолжая использовать наш сайт, вы соглашаетесь на обработку файлов Сookie. Вы можете заблокировать использование Cookies сайтом, изменив настройки Вашего браузера.

Подробнее
КТК 2 лев-10
КТК 2 лев-10
КТК 2 лев-10

Цена по запросу

Цена по запросу

КТК 2 лев-10
Позвонить нам

КТК 2 лев-10

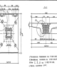
Характеристики:

Наименование: Капители КТК
Технические условия: Серия 1,420,1-25
Длина(L), мм: 2090
Ширина(B), мм: 2670
Высота(H), мм: 600
Обьем бетона, м³: 3
Вес 1 шт., т: 3.900

Нас выбирают!

Доставим в г. Москва

Привезем на ваш объект, быстро и надежно!

КТК 2 лев-10

Цена по запросу

Оформи заказ и получи спец-предложение

Перейти в корзину

+7 (495) 150-77-97

Доставим в г. Москва

Привезем на ваш объект, быстро и надежно!

Введите номер телефона, и мы перезвоним вам за 45 секунд!

Картинки

Введите номер телефона, и мы перезвоним вам за 45 секунд!

Обратный отсчет

0

0

минут

4

5

секунд

0

0

м. секунд

Введите телефон

Введите номер телефона

Этапы заказа

От заказа до установки — всего 5 простых шагов до вашего объекта

01

Оформите заявку

Заполните корзину или позвоните по номеру +7 (495)–150–77–97

02

Получите расчёт

Среднее время обработки - 1 час Предоставим от 1 до 3 выгодных предложений!

03

Заключите договор

Определите способ расчёта и назначьте дату поставки

04

Платите удобно

Наличными или переводом на расчётный счет

05

Доставим до объекта

Оперативная доставка прямо к вашему объекту 24/7

Описание
Доставка

Капители КТК КТК 2 лев-10 - это железобетонные изделия применяются в промышленном строительстве.
Производятся согласно техническим условиям Серия 1,420,1-25

  • Объем производства: 5 штук в день.
  • Срок производства: 2 дня.
Характеристики КТК 2 лев-10:
Технические условия: Серия 1,420,1-25
Длина, мм: 2090
Ширина, мм: 2670
Высота, мм: 600
Вес 1 шт., т: 3.900
Объем бетона, м.куб: 3

Цена договорная - это цена по запросу, где заказчик делает заказ и получает расчет стоимости, сроков производства и доставки.

Компания ДСК-Столица поставляет ЖБИ изделия на строительные объекты капители собственным автотранпортом с помощью 20 и 40 тонных машин.

Доставка

Доставка железобетонных изделий КТК 2 лев-10 это наша специализация! Мы осуществляем доставку ЖБИ изделий по всей России и странам СНГ. Наш автопарк включает в себя габаритные транспортные средства, которые могут перевозить грузы от 5 до 10, 20 и 40 тонн. Мы гарантируем быструю и надежную доставку вашего заказа в любую точку страны или за ее пределы.

Доставка на объект производится согласно спецификации с указанием числа изделий каждой маркировки товара. Мы заботимся о том, чтобы ваш заказ был доставлен вовремя и в отличном состоянии.

Наша зона транспортировки охватывает большинство центральных регионов Российской Федерации. Мы понимаем, что у каждого клиента свои потребности, поэтому мы готовы адаптироваться под ваши требования.

Не упустите возможность воспользоваться нашими услугами доставки ЖБИ изделий! Обращайтесь к нам, и мы с радостью поможем вам с доставкой вашего заказа.

Надежность превыше всего!

Закажите ЖБИ в компании ДСК-Столица!

  • Поставка до объекта
  • Работа по договору
  • Любой железобетон под ваш проект
Картинки

Часто задаваемые вопросы

Как долго ваша компания работает на рынке?

Компания ДСК «Столица» на рынке 14 лет.

Какие типы железобетонных изделий вы предлагаете?

Мы предлагаем более 100 000 различных товаров, плиты перекрытия, заборы, блоки ФБС и многое другое.

Есть ли у вас сертификаты качества на продукцию?

Вся продукция сопровождается всей необходимой документацией.

Как я могу сделать заказ на сайте?

Оформить заказ можно через , на почту zakaz@dsk-stolica.ru или по телефону +7 (495) 150–77–97

Как я могу оплатить ваш товар?

Вы можете оплатить товар в офисе, по QR коду, оплатой в банке или с расчетного счета.

%

Заполните форму – Получите выгодное предложение

Оформите заявку на ЖБИ

Быстрый расчет +15%

Телефон

Вы не заполнили поле

* – обязательные для заполнения поля

Мобильное приложение ЖБИ

Более 100.000 изделий ЖБИ

Быстрый заказ Большой ассортимент Возможность заработать
qr-code Наведите камеру на QR-код, чтобы скачать приложение

Обращаем Ваше внимание на то, что данный интернет-сайт носит исключительно информационный характер и ни при каких условиях не является публичной офертой, определяемой положениями ч. 2 ст. 437 Гражданского кодекса Российской Федерации. Для получения подробной информации о стоимости и сроках выполнения услуг, пожалуйста, обращайтесь к менеджерам «ДСК-Столица».

Любое копирование и использование материалов сайта ДСК-Столица запрещено.

© ЗАО "ДСК-Столица" 2011–2025

КТК 2 лев-10

Цена по запросу
Перейти в корзину
Картинка

Ссылка скопирована

По возрастанию цены По убыванию цены По рейтингу Актуальная цена В наличии Под заказ По длине По ширине По высоте По нагрузке По весу
Картинка

Товар добавлен в корзину